Custom ROMOLD Manhole Chambers
ROMOLD Polypropylene and Polyethylene manholes offer great scope for customizing to create unique solutions.
The capabilities at AML allow us to add new pipe connections and modify benching of existing chambers, or the building of a manhole chamber completely from scratch to meet the needs of the project. This capability allows a near unlimited solution set for manhole chamber solutions.
Custom manhole chambers often start as a discussion with the contractor of engineer to define what they are trying to achieve. This then develops through a design process at AML culminating with shop drawings for signing off, and fabrication of the solution in our workshop.
Contact us to learn more about custom manhole solutions for your project.

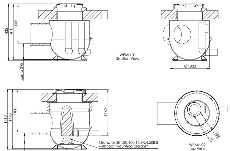
Features
- New Zealand fabricated solution to match the specific needs of the application
- Allows for alternative solutions, such as additional inlets/outlets, change of pipe size, steep pipe grades, weirs, bubble-ups, sumps, etc
- Full polymer manhole chamber providing sealing and durability
- Significantly faster to install and can allow service to resume straight away
- Modular construction (fully welded chambers are available)
- Includes PP ladders in riser and cone as standard
- Height adjustable to the nearest cm
- Approved for HN-HO-72 traffic loading
- Design support services from Australasia Moulding Ltd
Specifications
- Material: Polyethylene or polypropylene chamber
- Seals: EPDM (or fully welded solution)
- Ladder: Glass-filled polypropylene
- Diameter : DN1000 or DN625
- Throat: 600mm clear opening
- Pipe sizes: up to OD500 at outlet
- Maximum depth: 5m (PE base), 6m (PP base)
- Maximum groundwater: 4m (PE base), 5m (PP base)
- Traffic loading: Class D (HN-HO-72)
- Chamber weight: Approximately 115kg for a 2m deep manhole (plus concrete LDR and DI cover)
Downloads
Approvals
ROMOLD manhole chambers are accepted by most New Zealand Councils, including:
- Far North District Council
- Whangarei District Council
- Kaipara District Council
- Watercare
- Auckland City Council
- Thames-Coromandel District Council (RITS)
- Hauraki District Council (RITS)
- Waikato District Council (RITS)
- Matamata-Piako District Council (RITS)
- Hamilton City Council (RITS)
- Waipa District Council (RITS)
- South Waikato District Council (RITS)
- Otorohanga District Council (RITS)
- Waitomo District Council (RITS)
- Rotorua Lakes Council (RITS)
- Taupo District Council (RITS)
- Tauranga City Council
- Western Bay of Plenty District Council
- Whakatane District Council
- Opotiki District Council
- Gisborne District Council
- Napier City Council
- Hastings District Council
- Central Hawkes Bay District Council
- Tararua District Council
- Palmerston North City Council
- New Plymouth District Council
- South Taranaki District Council
- Masterton District Council
- Carterton District Council
- Marlborough District Council
- Nelson City Council
- Tasman District Council
- Buller District Council
- Grey District Council
- Kaikoura District Council
- Hurunui District Council
- Waimakariri District Council
- Christchurch City Council
- Selwyn District Council
- Ashburton District Council
- Timaru District Council
- Mackenzie District Council
- Waimate District Council
- Waitaki District Council
- Queenstown Lakes District Council
- Central Otago District Council
- Dunedin City Council
- Clutha District Council
- Gore District Council
- Invercargill City Council
- Southland District Council
Contact us for approval certificates or confirmations.