Industrial Chamber Solutions
Industrial chambers in the ROMOLD DN1000 or DN625 platform offer plastic chamber solutions providing a wide scope of chemical resistance. This resistance can lead to a more durable, longer-lived solution.
Developing chambers from polyethylene also allows for direct connection of PE pipelines through EF couplers or on-site butt welding.
ROMOLD industrial chambers designs are typically made in collaboration with the engineer to ensure that all project constraints are considered.
Contact us to discuss the needs of your project.

Features
- New Zealand fabricated solution to match the specific needs of the application
- Wide scope of solutions including industrial chemical chambers, leachate handling chambers, knockout chambers or biofilter/condensate traps.
- Full polymer manhole chamber providing sealing and durability for a wide range of chemicals
- Modular construction on site or fully welded chambers with no rubber seals
- Includes PP ladders in riser and cone as standard
- Approved for HN-HO-72 traffic loading when installed with a DI cover
- Design support services from Australasia Moulding Ltd
Specifications
- Material: Polyethylene or polypropylene chamber
- Seals: EPDM (or fully welded solution)
- Ladder: Glass-filled polypropylene
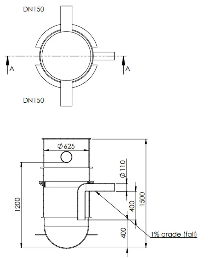
- Diameter : DN1000 or DN625
- Throat: 600mm clear opening
- Pipe sizes: up to OD500 at outlet
- Maximum depth: 5m (PE base), 6m (PP base)
- Maximum groundwater: 4m (PE base), 5m (PP base)
- Traffic loading: Class D (HN-HO-72)
- Chamber weight: Approximately 115kg for a 2m deep manhole (plus concrete LDR and DI cover)
Approvals
ROMOLD industrial chambers are accepted by most New Zealand Councils, including:
- Far North District Council
- Whangarei District Council
- Kaipara District Council
- Watercare
- Auckland City Council
- Thames-Coromandel District Council (RITS)
- Hauraki District Council (RITS)
- Waikato District Council (RITS)
- Matamata-Piako District Council (RITS)
- Hamilton City Council (RITS)
- Waipa District Council (RITS)
- South Waikato District Council (RITS)
- Otorohanga District Council (RITS)
- Waitomo District Council (RITS)
- Rotorua Lakes Council (RITS)
- Taupo District Council (RITS)
- Tauranga City Council
- Western Bay of Plenty District Council
- Whakatane District Council
- Opotiki District Council
- Gisborne District Council
- Napier City Council
- Hastings District Council
- Central Hawkes Bay District Council
- Tararua District Council
- Palmerston North City Council
- New Plymouth District Council
- South Taranaki District Council
- Masterton District Council
- Carterton District Council
- Marlborough District Council
- Nelson City Council
- Tasman District Council
- Buller District Council
- Grey District Council
- Kaikoura District Council
- Hurunui District Council
- Waimakariri District Council
- Christchurch City Council
- Selwyn District Council
- Ashburton District Council
- Timaru District Council
- Mackenzie District Council
- Waimate District Council
- Waitaki District Council
- Queenstown Lakes District Council
- Central Otago District Council
- Dunedin City Council
- Clutha District Council
- Gore District Council
- Invercargill City Council
- Southland District Council
Contact us for approval certificates or confirmations.
All
Biofilter Traps
Knockout Chamber